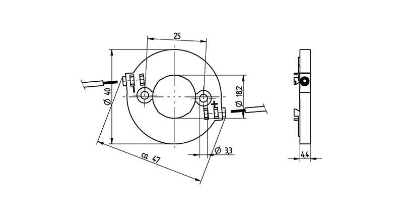
COB Connector Ø40 LED array 19x19
-
-
0,75 mm²
-
0,75 mm²
-
Screw mounting: for screws M3 and locking washer
Max. torque for screw fixing 0.5 Nm*
Strip length: 7-1 mm
Polarity of LED must be observed
Specifications of LED manufacturer must be observed
cURus: For limited applications
VDE-Reg. No. E289
*Please note the max torque of the COB manufacturer
| Certification Mark: | VDE CERTIFICATE OF CONFORMITY WITH FACTORY SURVEILLANCE EN 60838-1 |
|---|---|
| Conductor cross-section: | 0.75 mm² |
| Diameter: | Ø 40 mm |
| LED?: | intended for the use of COBs |
| LED Array: | 19 x 19 mm |
| Material: | Housing: PBTContacts: CuSn |
| Note warranty conditions: | *Warranty conditions of BJB GmbH & Co. KG as stated as available via the Internet under https://www.bjb.com/en/legal-information/general-terms-and-conditions/ are valid. |
| Operating temperature: | max. 130°C |
| Packaging quantity: | 420 |
| Pre-centering for COB: | Yes |
| Prefixation: | PCB holder |
| Producttype: | Spotlight Connectors and Accessories |
| Rating: | 3A / 150 VDC |
| Series: | COB Connectors - 47.319 |
| UL: | yes |
| cURus file no.: | E-345385 |
| mounting method 1: | Screw mount |
| mounting method 2: | P2F fixing with 28.902.-102 |
| old article number: | 47.319.6325.50 |
Available CAD Downloads
Certifications
| Article Number | Status | Description | Documents |
|---|---|---|---|
| 47.319.6325-0 | Genehmigung_liegt_vor-Approval_at_hand5665445 | ||
| 47.319.6325-0 | ÜG_Überwachungsgutachten-Certificate_of_Conformity5852779 | ||
| 47.319.6325-0 | cURus,_gültig_für_USA_und_Kanada-cURus_(USA_and_Kanada)3437952 |
Suitable for the following LED types
| LED manufacturer | LED designation | More information |
|---|---|---|
| Citizen | CLU036 | ce.citizen.co.jp |
| Citizen | CLU038 | ce.citizen.co.jp |
| Cree | CMU1516 | cree-led.com |
| Lextar | PB26H01 V4 | www.lextar.com |
| Luminus | Xnova CHM-14-AC00 | www.luminus.com |
| OSRAM Opto Semiconductors | Soleriq S15 Generation 2 | www.osram-os.com |
| Philips | Fortimo SLM 1211 L19 2828G6 | www.lighting.philips.co.uk/oem-emea |
| Philips | Fortimo SLM 1211 L19 2828G7 | www.lighting.philips.co.uk/oem-emea |
| Philips | Fortimo SLM 1216 L23 2828G6 | www.lighting.philips.co.uk/oem-emea |
| Philips | Fortimo SLM C 1205 L15 1919 G7N | www.lighting.philips.co.uk/oem-emea |
| Philips | Fortimo SLM C 1208 L15 1919 G7N | www.lighting.philips.co.uk/oem-emea |
| Seoul Semiconductor | ZC18 / SDWx3F1C | www.seoulsemicon.com |
-
-
0,75 mm²
-
0,75 mm²
-